도그 포인트 육각 머리 나사 주요 특징 및 장점
Apr 26, 2023
도그 포인트 육각 머리 나사는 시장에서 사용할 수 있는 우수한 유형의 나사입니다. 시중에서 구할 수 있는 다른 나사와 같이 다양한 유형의 목적에 이상적입니다. 도그 포인트 육각 머리 나사는 두 가지 종류가 있는 소켓 세트 나사입니다. 하나는 풀독 포인트이고 다른 하나는 하프독 포인트입니다. 돌출된 팁은 두 나사의 특징입니다. 하프 도그 포인트 나사는 도그 포인트 나사보다 팁이 짧아서 간극이 제한된 응용 분야에서 작동합니다. 그러나 풀 도그 포인트 나사는 다양한 용도로 사용할 수 있습니다.
이 나사는 한 번에 두 개 이상의 물체를 한 장소에 안전하게 고정할 수 있는 산업용 패스너입니다. 영구적인 설정으로 샤프트에 대한 기계적 구멍, 플랫 또는 슬롯에 삽입하도록 설계되었습니다. 도그 포인트 육각 머리 나사는 귀하의 요구 사항이나 요구 사항에 맞게 모든 종류의 재료로 제작할 수 있습니다. 대부분의 크기로도 제공됩니다.
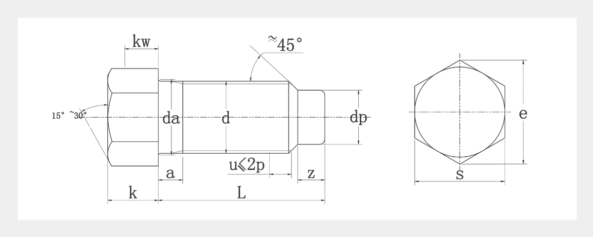
AYA 도그 포인트 육각 머리 나사 치수 표(DIN 561)

| 나사 d |
M6 | M8 | M10 | M12 | M16 | M20 | M24 | M30 | M36 | M42 | M48 | M56 | |
| P | 피치(일반나사) | 1 | 1.25 | 1.5 | 1.75 | 2 | 2.5 | 3 | 3.5 | 4 | 4.5 | 5 | 5.5 |
| 피치(가는 나사) | - | - | - | - | - | 2 | 2 | 2 | 3 | 3 | 3 | 3 | |
| a | 최대 | 3 | 3.75 | 4.5 | 5.25 | 6 | 7.5 | 9 | 10.5 | 12 | 13.5 | 15 | 16.5 |
| 다 | 최대 | 6.8 | 9.2 | 11.2 | 13.7 | 17.7 | 22.4 | 26.4 | 33.4 | 39.4 | 45.6 | 52.6 | 63 |
| DP | 최대=공칭 크기 | 4 | 5.5 | 7 | 8.5 | 12 | 15 | 18 | 23 | 28 | 32 | 38 | 45 |
| 분 | 3.82 | 5.32 | 6.78 | 8.28 | 11.73 | 14.73 | 17.73 | 22.67 | 27.67 | 31.61 | 37.61 | 44.61 | |
| e | 분 | 8.79 | 11.05 | 14.38 | 17.77 | 19.92 | 26.75 | 33.53 | 39.98 | 51.28 | 61.31 | 72.61 | 83.91 |
| k | 공칭 크기 | 5 | 6 | 7 | 9 | 11 | 14 | 17 | 21 | 25 | 30 | 34 | 40 |
| 분 | 4.85 | 5.85 | 6.82 | 8.82 | 10.79 | 13.79 | 16.79 | 20.74 | 24.74 | 29.74 | 33.69 | 39.69 | |
| 최대 | 5.15 | 6.15 | 7.18 | 9.18 | 11.21 | 14.21 | 17.21 | 21.26 | 25.26 | 30.26 | 34.31 | 40.31 | |
| kw | 분 | 3.4 | 4.1 | 4.8 | 6.2 | 7.6 | 9.7 | 11.8 | 14.5 | 17.3 | 20.8 | 23.6 | 27.8 |
| s | 최대=공칭 크기 | 8 | 10 | 13 | 16 | 18 | 24 | 30 | 36 | 46 | 55 | 65 | 75 |
| 분 | 7.78 | 9.78 | 12.73 | 15.73 | 17.73 | 23.67 | 29.67 | 35.38 | 45.38 | 54.26 | 64.26 | 74.26 | |
| z | 최소=공칭 크기 | 3 | 4 | 5 | 6 | 8 | 10 | 12 | 15 | 18 | 21 | 24 | 28 |
| 최대 | 3.25 | 4.3 | 5.3 | 6.3 | 8.36 | 10.36 | 12.43 | 15.43 | 18.43 | 21.52 | 24.52 | 28.52 | |
| ①, 재료: a) 강철, 속성 등급(재료): 14H, 22H 표준 DIN ISO 898-5; b)스테인리스강, 속성 등급(재료): A2-50 표준 DIN ISO 3506; c) 비철금속, 속성 등급(재료): CuZn=CU2 또는 CU3 표준 DIN EN 28839, 제조업체 선택에 따름 |
|||||||||||||
도그 포인트 육각 머리 나사의 주요 특징
Dog Point Hex Head Screw는 시장의 각 요구 사항을 충족할 수 있습니다. 또한 매력적인 기능을 갖추고 있어 대부분의 산업 분야에서 완벽한 선택입니다. 다음은 도그 포인트 육각 머리 나사의 주요 기능 목록입니다.
● 강도 - 도그 포인트 육각 머리 고정 나사는 합금강과 같은 재질로 제작되어 45H의 강도를 제공합니다.
● 경도 - 도그 포인트 육각 머리 나사는 5g6g의 경도로 제공됩니다.
● 우수품 등급 - 우수품 등급인 A등급을 제공합니다.
● 표면 처리 - 도그 포인트 육각 나사는 흑색 산화 코팅 및 녹 방지 오일의 표면 처리가 함께 제공됩니다.
이것은 도그 포인트 육각 머리 나사의 특징의 끝이 아닙니다. 이 나사에는 위에서 언급한 목록 외에 더 많은 기능이 있습니다.
도그 포인트 육각 머리 나사 장점
도그 포인트 육각 머리 나사는 상단 나사 중 하나입니다. 이 나사는 장점으로 인해 매우 인기가 있습니다. 다음은 Dog Point Hex Head Screw의 최고 장점입니다.
● 사용의 용이성 - 도그포인트 육각머리나사를 누구나 쉽게 사용할 수 있습니다. 드라이버로 나사를 조이면 됩니다.
● 인장강도 - 도그포인트육각나사는 재질이 견고하여 인장강도를 제공합니다.
● 우수한 저항 - 도그 포인트 육각 머리 나사는 내식성 및 내열성도 함께 제공됩니다.
● 압축 - 도그 포인트 육각 머리 나사는 자유 회전을 위해 압축을 유지하도록 특별히 설계되었습니다.
Dog Point Hex Head Screw로 무엇을 얻을 수 있는지 이해하시기 바랍니다.

애플리케이션
도그 포인트 육각 머리 나사는 다양한 용도로 사용하도록 제작되었습니다. 이것이 이 나사의 인기 뒤에 있는 유일한 이유입니다. 아래는 도그 포인트 고정 나사의 최고 적용 목록입니다.
● 도그 포인트 육각 머리 나사는 두 개의 물체를 고정하는 데 사용됩니다.
● Gear를 Shaft에 고정하는 용도로도 사용됩니다.
● 성공적인 중장비 애플리케이션에도 사용됩니다.
목적에 관계없이 이 나사는 모든 용도에 완벽한 선택입니다.
패스너를 찾고 계십니까?
고품질 나사, 볼트, 와셔 및 너트 제품을 포함하는 AYA FASTENERS의 광범위한 패스너 카탈로그를 찾아보려면 아래를 클릭하십시오.
전화: 플러스 86-311-85870676
WhatsApp/WeChat: 8615823215841 추가
Email: sales@ayafasteners.com
주소: 중국 허베이성


